Proč potřebujete elektrického ovčáka pro ovce a jak jej používat?
Obsah
Elektrický ovčák je elektronické zařízení, které dokáže nahradit ovčáka a jeho psy. Díky speciálnímu zařízení lze hejno udržet v přesně definovaných mezích. Pojďme zjistit, jak se to stane a jak výhodné je použití takového zařízení.
Co je to elektropastýř?
Po staletí pastevci pásli stáda ovcí. Pod jejich dohledem se nenasytní býložravci přesouvají z pastviny na pastvu. Změnou místa krmení získají ovce spoustu šťavnatého zeleného krmiva - není třeba jídlo připravovat nebo rozkládat do krmítek.

Dnes se v prodeji objevilo speciální zařízení pro pastvu hospodářských zvířat - elektropastýř. Tato konstrukce umožňuje „uzamknout“ hospodářská zvířata v určité oblasti a uzavřít ji elektrickým ohradníkem. Vyrábí se z pletiva nebo drátu, který je odolný vůči vnějšímu prostředí.
Existují dva typy elektrických ohradníků:
- Dočasný Jsou mobilní konstrukce, které lze přemisťovat z místa na místo.
 - Trvalý Jsou to stacionární stavby, které nemění své umístění po celou sezónu.
 
Z čeho se elektrický ovčák skládá:
- drát;
 - podpěrné sloupky - kovové nebo dřevěné, až 1 m vysoké;
 - zdroj energie - solární baterie, baterie, generátor.
 
Výrobci mohou zařízení doplnit elektrickou mřížkou různých velikostí - podle výběru majitele hejna. Někdo potřebuje oplotit malý pozemek o rozloze několika akrů a někdo potřebuje obrovskou půdu o rozloze několika hektarů.
Princip činnosti zařízení
Práce elektrického ovčáka je založena na behaviorálních reflexech ovcí. Jsou to mimořádně mírumilovná a zároveň plachá zvířata. Stačí jim slyšet hluk nebo vidět dravé zvíře, aby se rozprchlo na všechny strany. Aby se hejno nerozptýlilo po okolí, je instalován elektrický ovčák.
Efektu živého plotu je dosaženo díky slabým elektrickým výbojům, které zvířata dostávají, když se snaží opustit oplocený prostor. Po několika ranách ovce rychle odhadnou - není třeba se přibližovat k nebezpečnému obvodu.
Elektrický ovčák řeší následující cíle:
- udržuje stádo v daném prostoru bez pomoci pastýře;
 - chrání ovce před zásahy divokých predátorů - šokuje nejen ty uvnitř ohrady, ale i ty, kteří se k ní blíží zvenčí;
 - udržuje velikost stáda – zabraňuje ztrátě jedinců.
 
Elektronický ovčák je vhodný jako dočasný výběh. Ovce se tam dají vozit při opravách, čištění nebo dezinfekci ovčínů.
Výhody a nevýhody
Zařízení "elektropastýř" bylo vytvořeno pro chovatele hospodářských zvířat, kteří rádi zavádějí technické prostředky do zemědělství. Chcete-li se rozhodnout, zda změnit ovčáky na elektronické zařízení, měli byste zhodnotit všechny jeho klady a zápory.
výhody:
- Ekonomický přínos. Nákupem zařízení ušetříte za pronájem ovčáka. I když to není levné, vyplatí se to docela rychle - za pouhé 2-3 měsíce.
 - Spolehlivost. "Neviditelný plot" je vyroben z moderních materiálů, které jsou odolné vůči vnějším vlivům a nekorodují, nebojí se teplotních změn, vlhkosti atd. P.
 - Mobilita. Vybavení lze přesouvat z místa na místo – pokud potřebujete změnit pastvu.
 - Bezpečnost. Ovce shromážděné za "neviditelným plotem" jsou chráněny před všemi problémy. Nerozprchnou se, neztratí se, nenapadnou je zvěř.
 - Autonomie. Konstrukce může pracovat na dálku od energetických sítí - díky alternativním zdrojům energie.
 
Zatímco elektrický ovčák má mnoho výhod, mnoho farmářů se rozhodlo svěřit stádo obyčejným ovčákům.
nedostatky:
- instalace a demontáž elektrického ohradníku vyžaduje čas a úsilí;
 - poměrně vysoké náklady, zejména pokud vyrábíte živý plot na zakázku;
 - neumožňuje úplné opuštění personálu;
 - vyžadují určité zkušenosti s elektroinstalací;
 - na údržbu plotu se spotřebuje hodně elektřiny a to jsou další náklady;
 - baterie je vybitá.
 
Nákup elektrického ovčáka neznamená, že můžete zcela opustit služby pracovníků. Člověk je potřebný k tomu, aby kontroloval pohodu zvířat, aby je napájel a krmil, aby dojil. Jediné, co již není potřeba v přítomnosti elektrického ovčáka, je neustálá přítomnost na pastvině.
Jak nastavit elektrický kočár pro ovce?
Ohrada pro ovce je vybavena tam, kde je krmení - takže se zvířata pasou bez rizika odražení stáda. Stálé kotce jsou umístěny v blízkosti vodního zdroje a zásob krmiva.
Jak vybavit elektrický kočár pro ovce:
- Po obvodu oblasti, kde budou ovce umístěny, instalujte tyče v rozestupech 5-10 m. Je lepší, když jsou podpěry kovové - vydrží déle.
 - Na sloupky položte izolátory - přes ně položíte plot.
 - Protáhněte drát skrz izolátory. Obvykle jsou nataženy tři řady, mezi kterými zachovávají stejné mezery. Hrubé pletivo může nahradit drát.
 - Připojte konstrukci ke generátoru nízkého napětí. Po připojení ohradníku ke zdroji energie jím protéká malý elektrický proud, který je pro plaché hejno „neviditelným pastýřem“.
 

Kritéria výběru
Aby byl elektronický ohradník optimální pro zamýšlené účely a podmínky použití, je nutné zvolit správné zařízení. Existuje řada kritérií, podle kterých se doporučuje vybírat elektrický ohradník pro ovce.
Kritéria výběru:
- Jmenování. Při výběru vhodného zařízení na pastvu ovcí se hned rozhodněte, jaký plot budete používat – dočasný nebo trvalý. V prvním případě je vybrána malá oblast, ve druhém - několikrát větší než mobilní verze.
 - Podpůrný materiál. Dřevěné budou levnější. Jsou méně odolné a nejsou tak pevné jako jejich kovové protějšky.
 - Počet bran. Jejich počet se volí v závislosti na proveditelnosti a dostupné úlevě.
 - Výživa. Věnujte pozornost zdroji živého plotu. A pokud se jedná o baterii - jakou má kapacitu. Zjistěte, zda konstrukce umožňuje uzemnění.
 - Počet žil. Věnujte pozornost tomu, kolik je tam drátů. Vezměte prosím na vědomí, že mnoho výrobců dnes přehání specifikace. Je známo, že skutečný průřez vodiče se může od deklarovaného lišit téměř o polovinu.
Kvůli takovým porušením se dráty začnou přehřívat. Ovce nejen šokují, ale také spálí. - Vizualita. Ovce musí nejen cítit elektrické výboje, ale také vidět skutečné hranice, aby věděly, kam se nemají přibližovat.
 - Záruky. Vyberte variantu, ve které výrobce slibuje záruční opravu.
 
Při nákupu elektrického ovčáka nezapomeňte zkontrolovat jeho provoz a všechna elektrická připojení, abyste si nekoupili zbytečný design.
Vlastnosti provozu
Instalace a provoz elektrického ohradníku, jako každého zařízení poháněného elektřinou, vyžaduje, aby uživatelé znali základy jeho použití.
Co se vyžaduje od osoby odpovědné za provoz elektrického ovčáka:
- správné umístění vybavení po obvodu kotce;
 - včasné připojení plotu ke zdroji energie.
 
Co je důležité mít na paměti při instalaci a provozu zařízení:
- při instalaci elektrického ohradníku je důležité nezapomenout na zemnící vodiče a izolátory - zabrání nebezpečnému úrazu elektrickým proudem;
 - je přísně zakázáno dotýkat se živých částí, a to i přes nízké napětí;
 - neupravujte zařízení, pokud je pod napětím;
 - pokud začne bouřka, musí být napájení konstrukce vypnuto;
 - po obvodu by měly být umístěny výstražné značky napětí;
 - je zakázáno dotýkat se instalačních prvků během deště;
 - rozsah provozních teplot - od -30 do + 65 ° С;
 - je zakázáno provozovat jednotku v podmínkách vlhkosti nad 90%.
 
Hodnocení výrobců a modelů
Dnes je na trhu široká škála hotových elektrických ovčáků s různými parametry, určených pro různé podmínky použití. Vedoucí pozice v tomto výklenku zaujímají finští, ruští a novozélandští výrobci.
Zařízení elektrického ohradníku se prodává jako komplet nebo po částech. Na jednom místě si můžete koupit levné patníky a na jiném si objednat elektrickou síť a zdroj energie.
Elektrický ohradník si můžete nejen koupit, ale i vyrobit na zakázku. V tomto případě si farmář může objednat délku plotu, počet bran, typ a počet zdrojů energie.
Finské výrobky
Mezi lídry hodnocení patří finská společnost "Olli". Její produkty jsou považovány za ekonomické, efektivní a spolehlivé. Společnost nabízí spotřebitelům hotové sady. Zbývá je pouze správně nainstalovat.
Standardní sada obsahuje následující komponenty:
- dřevěné sloupy;
 - plot ze tří řad drátu;
 - brána;
 - baterie.
 
Existují stavebnice určené pro délky od 300 m do 3000 m.
Cena sady: od 20 000 do 80 000 rublů.
Ruské výrobky
V Ruské federaci vyrábí elektrické ovčáky společnost Riks-TV. Tento závod vyrábí zařízení pro kontrolu hospodářských zvířat pro širokou škálu oblastí.
Výhody domácího vybavení ve srovnání s dováženým:
- nižší cena;
 - schopnost vyrábět elektrické ohradníky na individuální zakázky.
 
Standardní kompletní sada:
- kovové sloupy;
 - pozinkovaný třířadý plot - pro oplocení ploch do 3 hektarů;
 - dva zdroje energie - z baterie a ze sítě 220 V;
 - kompletní s výstražnými značkami.
 
Cena za produkty společnosti Riks-TV nepřesahuje 20 000 rublů.
Rovněž stojí za to věnovat pozornost produktům JSC "Montazhzagotka" - IE-200. Tento elektropastýř je atraktivní tím, že má dvě baterie – externí a vestavěnou. Sada je doplněna plotem o rozloze 300 hektarů.
Cena IE-200: 10 000 rublů.
Zboží z Nového Zélandu
Produkty od novozélandské společnosti Speedrite se v podnikání dobře projevují. V jeho výbavě je možné upravit pulzní frekvenci.
Sada obsahuje:
- pilíře;
 - živé ploty různých velikostí;
 - kombinované zdroje napájení.
 
Cena produktu - od 20 000 rublů.
Je možné vyrobit elektrického ovčáka vlastníma rukama?
Existují řemeslníci, kteří dokážou sestavit domácí alternativu průmyslového elektrického ovčáka. K tomu potřebujete projekt – můžete si ho objednat u specialisty nebo najít online.
K vytvoření elektrického plotu budete potřebovat:
- zdroj energie;
 - generátor (snižovací transformátor 220/12 V);
 - dráty;
 - sloupy;
 - izolátory;
 - panelová místnost (elektrická skříň).
 
K výrobě elektrického ovčáka potřebujete určité znalosti. Musíte rozumět elektrotechnice a elektroinstalaci.

Namísto izolátorů můžete použít plastové lahve, místo drátů - drátů lze kabeláž upevnit zbytky pneumatik automobilů.
Výrobní postup:
- Sloupy zakopejte do země stejným způsobem, jako se instalují u běžného živého plotu.
 - Ke každému sloupu připojte izolátory, zakoupené nebo domácí.
 - Vytáhněte drát ve třech řadách - ocel nebo měď. První je méně odolný. Namalujte dráty na místech, aby byly viditelné pro zvířata i lidi.
 - Pulzní generátor lze zakoupit nebo sestavit ručně. Napájení bude napájeno ze sítě 220 V, z baterie nebo solárních panelů – dle vašeho výběru.
 
Abyste vystrašili hospodářská zvířata a ne je zabili proudem, potřebujete generátor krátkých pulzů, které se opakují s určitou frekvencí. Generátor může být vyroben z hotového tranzistoru, který bude přenášet impulsy do zapalovací cívky - lze jej vzít z automobilu.
Zapalovací cívka má dvě funkce - vytváří napětí a převádí ho na impulsy. V autě jsou přeneseny na svíčky, v elektrickém pastýři - na plot. Když je struktura sloupů a vodičů instalována, je připojena k generátoru impulsů.
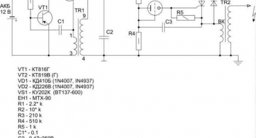
Jak si sami sestavit pulzní generátor:
Nuance, kterým je třeba věnovat pozornost při instalaci konstrukce:
- Správně spočítejte výšku sloupků. Záleží na tom, zda ovce mohou opustit perimetr. Podpěry nelze dělat pod 1 m, jinak ovce plot prostě přeskočí. Abyste zabránili vstupu zvířat do obvodu, zatáhněte alespoň za tři řady drátu.
 - Musí být také promyšlena vzdálenost mezi sousedními elektrickými vodiči. Od země k první řadě - 25 cm, mezi 1. a 2. drátem - 55 cm, mezi 2. a 3. drátem - 90 cm.
 - Síla elektrického impulsu je dána délkou srsti zvířete. Čím delší a hustší, tím více náboje. Pro dlouhosrstý skot stačí 11-12 kW.
 
Video o tom, jak sestavit elektrického ovčáka vlastníma rukama:
Vlastnosti návykových ovcí
Ovce jsou chytrá zvířata, zvláště pokud jde o jejich bezpečnost. Ovce stačí pár zatřesení, aby pochopily, že k plotu nepotřebují chodit, natož aby se ho dotýkaly. Ovce si velmi rychle vyvinou ohradový reflex.
Aby se plachá zvířata nedostala do stresu, musí pochopit, proč pociťují nepříjemné účinky a co je jejich zdrojem. To znamená, že musí vidět plot. Živé plotové dráty proto nemohou být příliš tenké.
Pokud jsou dráty elektrického ohradníku neviditelné, zvířata mohou neúmyslně použít sílu a zlomit je i přes elektrický šok. V důsledku toho bude systém dohledu deaktivován a domácí mazlíčci se rozptýlí kamkoli.
Kde můžete koupit?
V obchodech s farmářskými potřebami je k dispozici široká škála elektrických ovčáků. Lze je objednat i z pohodlí domova – v některém z internetových obchodů specializovaných na podobné produkty, například https: // elepas.ru, https: // kletki-market.ru / a v dalších.
Elektrický ohradník si můžete nejen vybrat podle potřeb vaší farmy, ale také si objednat jeho dodání. Internetové obchody obvykle dodávají zboží po celé Ruské federaci.
Elektrický ohradník pro ovce – budoucí řešení pro zkušební krok směrem k automatizaci v živočišném průmyslu. Jak výnosné a účelné jsou takové ohrady, ukazuje praxe jejich používání. V malých farmách takové vybavení pomáhá obejít se bez pastýře, ale vyžaduje, aby ho člověk udržoval a přeskupoval.












